名称:山东明诺阀门制造有限公司
地址:山东省临沂市费县探沂镇
经济开发区纵二路西侧
电话:0539-8338848
手机:13455966866 / 13188710977
传真:0539-8338848
邮编:276000
邮箱:mingnuofm_77@163.com
网址:http://www.mingnuofm.com

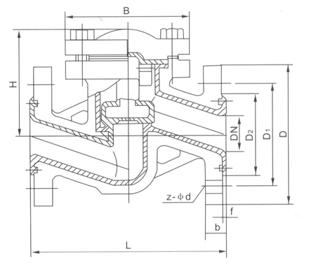
一、升降式衬氟止回阀H41F46【概述】
止回阀是一种依靠介质本身的流动而自动启闭阀瓣用来阻止介质逆向流动的自动阀门,衬里止回阀基本类型有四种:H41型法兰连接直通升降式止回阀和H42型升降立式止回阀、H44旋启式止回阀、H40浮球式止回阀。

二、升降式衬氟止回阀【主要外形和连接尺寸】
| 公称通径 | 标准值 | 参考值 | |||||||||
| DN(mm) | NPS(inch) | L | D | D1 | D2 | f | b | Z-φd | B | H | WT(kg) |
| PN1.0MPa | |||||||||||
| 15 | 1/2 | 130 | 95 | 65 | 45 | 2 | 14 | 4-φ14 | 105 | 55 | 5 |
| 20 | 3/4 | 150 | 105 | 75 | 55 | 2 | 16 | 4-φ14 | 115 | 58 | 7 |
| 25 | 1 | 160 | 115 | 85 | 65 | 2 | 16 | 4-φ14 | 128 | 60 | 9 |
| 32 | 11/4 | 180 | 135 | 100 | 78 | 2 | 18 | 4-φ18 | 145 | 75 | 11 |
| 40 | 11/2 | 200 | 145 | 110 | 85 | 3 | 18 | 4-φ18 | 160 | 82 | 13.5 |
| 50 | 2 | 230 | 160 | 125 | 100 | 3 | 20 | 4-φ18 | 178 | 95 | 18 |
| 65 | 21/2 | 290 | 180 | 145 | 120 | 3 | 20 | 4-φ18 | 205 | 105 | 22 |
| 80 | 3 | 310 | 195 | 160 | 135 | 3 | 22 | 4-φ18 | 230 | 120 | 28 |
| 100 | 4 | 350 | 215 | 180 | 155 | 3 | 22 | 8-φ18 | 255 | 135 | 34 |
| 125 | 5 | 400 | 245 | 210 | 185 | 3 | 24 | 8-φ18 | 305 | 158 | 58 |
| 150 | 6 | 480 | 280 | 240 | 210 | 3 | 24 | 8-φ23 | 345 | 180 | 72 |
| 200 | 8 | 600 | 335 | 295 | 265 | 3 | 26 | 8-φ23 | 415 | 215 | 150 |
| 250 | 10 | 622 | 390 | 350 | 320 | 3 | 28 | 12-φ23 | 490 | 240 | 165 |
| 300 | 12 | 698 | 440 | 400 | 368 | 4 | 28 | 12-φ23 | 540 | 265 | 190 |
| 350 | 14 | 787 | 500 | 460 | 428 | 4 | 30 | 16-φ23 | 585 | 300 | 225 |
| 400 | 16 | 914 | 565 | 515 | 482 | 4 | 32 | 16-φ25 | 635 | 360 | 254 |
| 450 | 18 | 978 | 615 | 565 | 532 | 4 | 32 | 20-φ25 | 680 | 385 | 285 |
| 500 | 20 | 978 | 670 | 620 | 585 | 4 | 34 | 20-φ25 | 740 | 415 | 333 |
上一篇:微阻缓闭消声止回阀
下一篇:无磨损球型止回阀